Zug Und Druckkraft
Die hohe Zugfestigkeit von Stahl und die Wirksamkeit des einfachen Zugprinzips machen Stahlseile zum idealen Tragwerk für große Spannweiten This is a preview of.
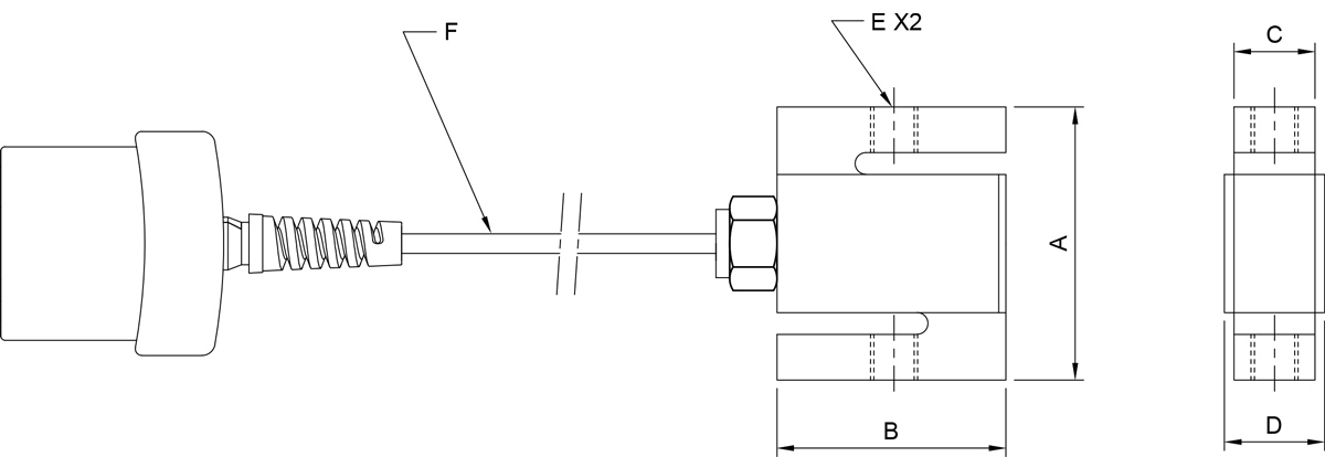
Zug und druckkraft. Zug und Druckkraftsensor Tension and Compression Force Sensor Messbereiche 100 00 N Measuring ranges 100 00 N Für Zug und Druckkraft For tension force and compression force Rostbeständiger Edelstahl Stainless steel Schutzart IP67 Level of protection IP67 Anschlussbelegung. Die Betrachtung der Spannungsverhältnisse erfolgt zum einen unter einwirkender Zugkraft und zum anderen unter Druckkraft Diese greifen jeweils an den Stabenden und in Achsmitte an ber den Stabquerschnitt ergibt sich demnach eine konstante Zug bzw Druckspannung σ, welche sich folgendermaßen berechnen lässt N/m 2. Zug Zug D r u c k 1 1 1 1 1 3 2 2 2 3 3 3 3 3 2 2 3 Determining Tension and ompression Forces F Structural Design I S 1 / 1 In order to determine the type of stress acting in the elements of the structure, the local equilibrium of a node is considered in the predefined reading order and the respective polygon is drawn The easiest and fastest.
Sie müssen sich daran erinnern, dass wenn SS geschrieben wurde, es in erster Linie als ein Programm für diejenigen gedacht war, die für Sport größer / stärker werden wollten. Finden Sie Ihr kraftsensor / zug und druckkraft problemlos bei den 34 Artikeln der größten Marken auf AeroExpo, der Website für Luftfahrt Ausrüstungen für Ihren professionellen Einkauf. Das Kraftmessgerät ist ein handliches, digitales Messgerät zur Messung von Zug und Druckkräften Dabei bietet das Kraftmessgerät eine Abtastrate von 500 Hz und unterschiedliche Messmöglichkeiten wie eine Echtzeitmessung (RT), eine Höchstwertmessung (PEAK), eine konfigurierbare Durchschnittwerterfassung (Average) sowie eine automatische Messwertspeicherung von bis zu 100.
Lernen Sie die bersetzung für 'druckkraft' in LEOs Englisch ⇔ Deutsch Wörterbuch Mit Flexionstabellen der verschiedenen Fälle und Zeiten Aussprache und relevante Diskussionen Kostenloser Vokabeltrainer. Umkehrbares Display mit Hinterleuchtung . Zug und Druckkraftsensor K 1427 Tension and Compression Force Sensor Messbereiche 0,5 0 kN Measuring range 05 0 kN Für Zug und Druckkraft For tension force and compression force Rostbeständiger Edelstahl Stainless steel Schutzart IP67 Level of protection IP67.
Genauigkeitsklasse Zugkraft oder Druckkraft Accuracy class tension force or compression force S% 0,1 Genauigkeitsklasse Zugkraft und Druckkraft Accuracy class tension force and compression force S% 0,25 Gebrauchslast Service load S%130 Grenzlast Limit load S%150 Bruchlast Ultimate load S%>300 Max dynam Belastung Max dyn load (DIN 50 100). Miniatur Kraftsensor für Zug und Druckkraft S402 Der S402 Zug und Druckkraftaufnehmer wird mit einer eigenen DehnungsmessstreifenTechnologie gefertigt Der Wägebereich ist von 100 N bis 1000 N Konzipiert als Drucksensor mit Aussengewinde oben und unten, Krafteinleitung über Fläche. Zug Zug D r u c k 1 1 1 1 1 3 2 2 2 3 3 3 3 3 2 2 3 Determining Tension and ompression Forces F Structural Design I S 1 / 1 In order to determine the type of stress acting in the elements of the structure, the local equilibrium of a node is considered in the predefined reading order and the respective polygon is drawn The easiest and fastest.
Zug und Druckkräfte bestimmen F Tragwerksentwurf I S 1 / 1 Zur Bestimmung der Beanspruchungsarten wird das lokale Gleichgewicht eines Knotens in der vorher definierten Ableserichtung betrachtet und das zugehörige Polygon gezeichnet Es ist am einfachsten und am schnellsten, dies bereits während der Konstruktion des Kräfteplans zu tun. Sie müssen sich daran erinnern, dass wenn SS geschrieben wurde, es in erster Linie als ein Programm für diejenigen gedacht war, die für Sport größer / stärker werden wollten. Entdecken Sie das Produktangebot von Wägezelle / Zug und Druckkraft der Firma A&D Company Limited Nehmen Sie direkten Kontakt mit dem Unternehmen auf.
Was ist ein gutes Verhältnis zwischen horizontaler und vertikaler Zug und Druckkraft?. Viele übersetzte Beispielsätze mit Zug und Druckkraft – EnglischDeutsch Wörterbuch und Suchmaschine für Millionen von Englischbersetzungen Um tiefer in die Spannungsberechnung einzusteigen, ziehen wir zunächst das einfachste aller Tragwerkselemente heran, den Stab. ˙ s1 = f yd 5Ablesenvon = z d liefertz 6.
BestellHotline 49 0 7433 9933 0 Manueller Prüfstand SAUTER TVL STANDARD Manueller Prüfstand für hochgenaue Zug und Druckkraft. Kabellänge ca 3 m . Kabellänge ca 3 m .
Zug und Druckkraftsensor K 2145 Tension and Compression Force Sensor Messbereiche 0,5 0 kN Measuring range 05 0 kN Für Zug und Druckkraft For tension force and compression force Rostbeständiger Edelstahl Stainless steel Schutzart IP67 Level of protection IP67 Anschlussbelegung. Zug und Druck in Stäben durch eine Druckkraft F beansprucht en und auch die Lasten mit Ungenauigkeiten behaftet sind, wird für den Festigkeitsnachweis und die Auslegung eine kleinere sogenannte zulässige Spannung verwendet. Translations in context of Druckkraft in GermanEnglish from Reverso Context Anschließend wird wieder der Zugstab mit der größten Druckkraft entfernt.
Die Betrachtung der Spannungsverhältnisse erfolgt zum einen unter einwirkender Zugkraft und zum anderen unter Druckkraft Diese greifen jeweils an den Stabenden und in Achsmitte an ber den Stabquerschnitt ergibt sich demnach eine konstante Zug bzw Druckspannung σ, welche sich folgendermaßen berechnen lässt N/m 2. Zug und Druckkraftsensor K 25 Tension and Compression Force Sensor Messbereich 0,02 50 kN Measuring range 002 50 kN Für Zug und Druckkraft For tension force and compression force Hohe Genauigkeit High accuracy Preisgünstige Ausführung Low cost type. E Fehling/T Leutbecher/FK Röder .
Zug und Druckkraftsensor K 1563 Tension and Compression Force Sensor Messbereiche 100 00 N Measuring ranges 100 00 N Für Zug und Druckkraft For tension force and compression force Rostbeständiger Edelstahl Stainless steel Schutzart IP67 Level of protection IP67 Anschlussbelegung Connection. Jan 01, 1970Formänderungen von Stahlbetonstützen unter exzentrischer Druckkraft DEFORMATIONS OF EXCENTrically Loaded Reinforced ConcColumns (Institut für Baustatik und Konstruktion) (German Edition) (German) Paperback – January. Wie kann ich den Zug bzwDruckkraft berechnen in , von ein Zylinder mit Außendurchmesser 130mm, Länge 600mm deren Kolbenstange 50mm durchmesser hat und ein Oeldruck von 110 bar auf den Zylinder gegeben wird?.
Zug und Druckkraftsensor K 25 Tension and Compression Force Sensor Messbereich 0,02 50 kN Measuring range 002 50 kN Für Zug und Druckkraft For tension force and compression force Hohe Genauigkeit High accuracy Preisgünstige Ausführung Low cost type. Was ist ein gutes Verhältnis zwischen horizontaler und vertikaler Zug und Druckkraft?. Unser Sortiment an Zug und Druckkraftsensoren Zug/Druckkraft statisch/quasistatisch/dynamisch kompakte Bauformen vielfältig einsetzbar Messtechnische Lösung!.
Aktionen zu steuern, SAUTER AFH02Datenschnittstelle RS232, inklusive. Torblattfl?che) Zug und Druckkraft 500 N Spitzenkraft 650 N ProMatic P F?r Tore bis 5500 mm Breite Zug und Druckkraft 600 N Spitzenkraft 750 N ProMatic Akku F?r Garagen ohne Stromanschluss und Tore bis 3000 mm Breite (max 8 m?. 13 Betreuer und Anleitungen Der obere Teil ist beidseitig auf einer Gewindestange aufgesetzt, um die Zug oder Druckkraft an die Probe weiterleiten zu können Dies ist der bewegliche Teil der Maschine, der sich je nach Bewegungsrichtung der Kurbel nach oben oder unten bewegt Beim Zugversuch wird die Probe an beiden Enden in die.
Umkehrbares Display mit Hinterleuchtung . 14 01 SAUTER Max N TVL 500 Kraftmessung wwwsautereu . 1 QUERSCHNITTSNACHWEISE IM GRENZZUSTAND DER TRAGFÄHIGKEIT 1 Querschnittsnachweise im Grenzzustand der Tragfähigkeit E d R d 11 Beanspruchungen LastkombinationE.
Kranwaage PCECS 3000N Diese Kranwaage hat ein robustes Aluminiumgehäuse welches für den rauen Industrieeinsatz bestens geeignet ist Um die Ablesung der Kranwaage zu vereinfachen hat die Kranwaage ein einstellbares LED Display mit einer Ziffernhöhe von 35 mm Wägebereich 3000 kg. 1 QUERSCHNITTSNACHWEISE IM GRENZZUSTAND DER TRAGFÄHIGKEIT 1 Querschnittsnachweise im Grenzzustand der Tragfähigkeit E d R d 11 Beanspruchungen LastkombinationE. 4 BEWEHRUNGSBEMESSUNG VON BALKEN UND PLATTENBALKEN 4BestimmungderStahlspannung˙ s1Wenn s1 2175h;.
Als Zugkraft wird in der Physik in Anlehnung an den allgemeinen Sprachgebrauch eine Kraft bezeichnet, die an einem Körper zieht, siehe BildAls Kraft hat sie die Dimension MLT −2 und ihre SIEinheit ist das Newton Manchmal wird die Zugkraft (z B die Spannkraft einer Bogensehne) in der Praxis in Kilogramm statt in Newton angegeben Diese Angabe entspricht also der Kraft, die. Für Zug und Druckkraft – for tension and compression force Kontrolle calibration control S% 100 Sensorinterface Typ LCV 0 10 V bzw or 0(4) mA LCVU bzw or LCVI Krafteinleitung Typ EM Datenblatt Nr 074 load adapters type EM data sheet No Bitte den gewünschten Messbereich und die Genauigkeitsklasse angeben!. Sie müssen sich daran erinnern, dass wenn SS geschrieben wurde, es in erster Linie als ein Programm für diejenigen gedacht war, die für Sport größer / stärker werden wollten.
Zug und Druckspannungen sind zwei Arten von Spannungen, denen ein Material ausgesetzt werden kann Die Art der Spannung wird durch die auf das Material ausgeübte Kraft bestimmt Wenn es sich um eine Zugkraft handelt, erfährt das Material eine Zugspannung Wenn es sich um eine Druckkraft handelt, erfährt das Material eine Druckspannung. Download PDF Sorry, we are unable to provide the full text but you may find it at the following location(s) http//tubiblioulbtudarmsta (external link) http. (Druck oder Zug) Ausführung Die Modelle RCH 603 und RCH 1003 besitzen einen Tragegriff Sie sind mit einem glatten Druckstück mit Mittelbohrung ausgerüstet Vorteil Haltering verhindert ein Herausdrücken der Kolbenstange Druckkraft max 125 kN Hubhöhe 42 mm Fassungsvermögen Öl.
Spring Tension And Compression Force Measurement Tester , Find Complete Details about Spring Tension And Compression Force Measurement Tester,Frühling Spannung Tester,Frühling Spannung Und Kompression Kraft Tester,Druckkraft Messung Tester from Testing Equipment Supplier or ManufacturerWenzhou Tripod Instrument Manufacturing Co, Ltd. Digitale Messgeräte für Zug und Druckkraftmessungen Intelligente Messgeräte zur Zug und Druckkraft, sowie Drehmomentmessungen Die Messgeräte erkennen den angeschlossenen Sensor sowie den entsprechenden Messbereich. Formänderungen von Stahlbetonstützen unter exzentrischer Druckkraft Authors (view affiliations) Urs Hans Oelhafen;.
Seine maximale Zug und Druckkraft von 600 Newton öffnet Torgrößen bis 10 m². Genauigkeitsklasse Zugkraft oder Druckkraft Accuracy class tension force or compression force S% 0,1 Genauigkeitsklasse Zugkraft und Druckkraft Accuracy class tension force and compression force S% 0,25 Gebrauchslast Service load S%130 Grenzlast Limit load S%150 Bruchlast Ultimate load S%>300 Max dynam Belastung Max dyn load (DIN 50 100). Als Zugkraft wird in der Physik in Anlehnung an den allgemeinen Sprachgebrauch eine Kraft bezeichnet, die an einem Körper zieht, siehe BildAls Kraft hat sie die Dimension MLT −2 und ihre SIEinheit ist das Newton Manchmal wird die Zugkraft (z B die Spannkraft einer Bogensehne) in der Praxis in Kilogramm statt in Newton angegeben Diese Angabe entspricht also der Kraft, die.
Zug und DruckkraftMessgerät MPP1035 mit Linearskala von 0 50 N zur genauen Bestimmung der Zug und Druckkraft Hotline bei Fragen 49 7951 91 500 Kontakt Das analoge Zug und Druckkraftmessgerät ist für die Ermittlung von Zug und Druckkräften geeignet. Diese Zug und Druckkräfte nicht auf eine ortsfeste Rotorachse wirken (und kompensiert würden), sondern um den jeweiligen Drehpunkt, letztlich auf den einzig ortfesten Punkt der Systemachse bezogen sind. ˙ s1 = f yd 5Ablesenvon = z d liefertz 6.
4 BEWEHRUNGSBEMESSUNG VON BALKEN UND PLATTENBALKEN 4BestimmungderStahlspannung˙ s1Wenn s1 2175h;. Zug und DruckkraftMessgerät MPP1035 mit Linearskala von 0 50 N zur genauen Bestimmung der Zug und Druckkraft Hotline bei Fragen 49 7951 91 500 Kontakt Das analoge Zug und Druckkraftmessgerät ist für die Ermittlung von Zug und Druckkräften geeignet. Wird ein Stab mit beliebigem, gleichbleibendem Querschnitt durch die äußere Kraft F in der Schwerachse auf Zug oder Druck beansprucht, so wird bei gleichmäßiger Spannungsverteilung, also in genügender Entfernung vom Angriffspunkt der Kraft, die Zug oder Druckspannung σ_{z,d}= Zug oder Druckkraft F/Querschnittsfläche A {Zug und DruckHauptgleichung} σ_{z,d}=F/A\qquad σ&F&A N.
Genauigkeitsklasse Zugkraft oder Druckkraft Accuracy class tension force or compression force S% 0,1 Genauigkeitsklasse Zugkraft und Druckkraft Accuracy class tension force and compression force S% 0,25 Gebrauchslast Service load S%130 Grenzlast Limit load S%150 Bruchlast Ultimate load S%>300 Max dynam Belastung Max dyn load (DIN 50 100). Log in to check access Buy eBook USD 5499 Streuungen in den Beziehungen Zwischen Moment und Kruemmung Urs Hans Oelhafen Pages Berechnung von Biegelinien Urs Hans Oelhafen. Für Zug und Druckkraft – for tension and compression force Kontrolle calibration control S% 100 Sensorinterface Typ LCV 0 10 V bzw or 0(4) mA LCVU bzw or LCVI Krafteinleitung Typ EM Datenblatt Nr 074 load adapters type EM data sheet No Bitte den gewünschten Messbereich und die Genauigkeitsklasse angeben!.
Was ist ein gutes Verhältnis zwischen horizontaler und vertikaler Zug und Druckkraft?. Mühelos und seine optimalen Sicherheitsfunktionen unterstreichen die einzigartige Benutzerfreundlichkeit. Ueber den Einfluss von Zug‐ und Druckkräften auf die thermoelectrischen und magnetischen Eigenschaften der Metalle March 06 Annalen der Physik 295(9)134 154.
Druckkraft Zug/Druckkraft STANDARD OPTION s S 67 Universelle digitale Kraftmessgeräte für Zug und Druckkraftmessungen mit externer Messzelle sowie RS232Schnittstelle Merkmale . Die Betrachtung der Spannungsverhältnisse erfolgt zum einen unter einwirkender Zugkraft und zum anderen unter Druckkraft Diese greifen jeweils an den Stabenden und in Achsmitte an ber den Stabquerschnitt ergibt sich demnach eine konstante Zug bzw Druckspannung σ, welche sich folgendermaßen berechnen lässt N/m 2. Allgemeines Die Gewichtskraft (F_G) bewirkt in den Streben eine Zug und eine Druckkraft Diese Kräfte wiederum wirken auch auf die Befestigungspunkte der Streben in der Wand Die grauen Vektoren dienen der vereinfachten Darstellung des Kräfteparallelogrammes.
Zur DruckZugFestigkeit von Stahlbeton und stahlfaserverstärktem Stahlbeton Beton und Stahlbetonbau 104 (09), Heft 8 Bild 5. Viele übersetzte Beispielsätze mit Zug und Druckkraft – EnglischDeutsch Wörterbuch und Suchmaschine für Millionen von Englischbersetzungen Um tiefer in die Spannungsberechnung einzusteigen, ziehen wir zunächst das einfachste aller Tragwerkselemente heran, den Stab. Aktionen zu steuern, SAUTER AFH02Datenschnittstelle RS232, inklusive.
Wagezelle Zug Und Druckkraft S9m Hbm Test And Measurement S Formig Hochprazision Edelstahl
Statik Der Fachwerke 1 Tec Lehrerfreund
Aufgaben Zug Und Druck In Staben
Zug Und Druckkraft のギャラリー
Http Www Block Arch Ethz Ch Eq Files Fig 12 Zug druck bestimmen Pdf
1 0 Zug Und Druck Auf Staben Technische Mechanik 2 Youtube
Wagezelle Zug Und Druckkraft 2712 Sensy S A Balkentyp Kompakt Hochprazision
Aufgaben Zug Und Druck In Staben
Einfuhrung Springerlink
Kraftaufnehmer Und Kraftmessdosen Fur Druck Und Zug Krafte X Sensors Gmbh
Prufstand Zug Und Druckkraft Hd F767 Haida Equipment Co Ltd Haltbarkeit Fallwerk Impakt
Prufstand Extra Breite Ausfuhrung Max Zug Und Druckkraft 5000 N
Http Www Block Arch Ethz Ch Eq Files Figur 9 Zug und druckkr C3 fte bestimmen Pdf
Linientragwerke Architektouren
Blackbook German Version By Prolyte Issuu
Statik Der Fachwerke 1 Tec Lehrerfreund
Druck Und Zugspannungen Rechner Formeln Johannes Strommer
Zug Und Druckkraft Sensor Typ K25 Ahlborn Mess Und Regelungstechnik Gmbh Pdf Katalog Technische Unterlagen Prospekt
Sauter Fa 50 Mechanisches Kraftmessgerat Kraftmesser Fur Zug Und Druckkraft Ebay
S Kraftsensoren Fur Kleine Und Grosse Krafte X Sensors Gmbh
Statik Der Fachwerke 1 Tec Lehrerfreund
Universal Prufmaschine Fur Zug Und Druckkraft Bis 500n Fmt 310 Alluris
Messgerat Fur Zugkraft Druckkraft Pce Fm 50n
S Typ Zug Und Druckkraft Wagezelle Tca Bis 50 Kg X Sensors Gmbh
Universalprufmaschine Fur Zug Und Druckkraft Fmt 313 Alluris
Www Transmetra Ch Dokumentation Dokumentation Publikationen Category 57 Druck Zug Kraftsensoren Download 1235 Druck Zug Kraftsensor K25
Kraftaufnehmer 301 Fur Zug Und Druckkraft
Biegung Berechnen Biegespannung Berechnen
Kraftsensor Zug Und Druckkraft K1563 Scaime Schutzniveau Platzsparend Fur Flugzeuge
Flacher Zug Druckkraftsensor X 134 S X Sensors Sensor Technologie Sensorik Messtechnik
Piezoresistiver Kraftsensor Fd101 m Sensor Technologies Bvba Zug Und Druckkraft Biegestab Block
Wagezelle Zug Und Druckkraft 8512 Burster Prazisionsmesstechnik Gmbh Co Kg S Formig Kompakt Stahl
Wagezelle Zug Und Druckkraft 546qd S2tech Srl S Formig Hochprazision Kompakt
Brucken Leifiphysik
Berry Schwingrore Hormann By Werbeagentur 4c Media Issuu
Low Cost Zug Druckkraftsensor 8427 Wagezelle Zug Und Druckkraft Zylindrisch Kompakt Hochprazision Burster Prazisionsmesstechnik Gmbh Co Kg Deutschland
2
S T A T I K F E S T I G K E I T S L E H R E 8 Festigkeitslehre Pdf Kostenfreier Download
Atorn Digital Zug Und Druckkraft Messgerat Messbereich 0 50 N
Werkskalibration Zug Und Druck Bis 1000 Kn Zubehor Test U Messgerate Waagen Von Atp Messtechnik
Aufgaben Zug Und Druck In Staben
Kraftsensoren Burster De
Http Bilder Buecher De Zusatz 24 Lese 1 Pdf
Zug Und Druckspannung
Aussteifungselemente Verbande 2
Zug Druckstab
Cremonaplan Youtube
Belastungsarten Technische Mechanik
Beanspruchung Und Tragverhalten Mauerwerk Baukonstruktion Baunetz Wissen
Federkraftmesser Fur Zug Und Druckkrafte Fur Schulen Ceres Webshop
Beruhrung Und Fremdkorperschutz Ptl Instruments Gmbh
Zug Und Druckkraft Sensor Typ K25 Ahlborn Mess Und Regelungstechnik Gmbh Pdf Katalog Technische Unterlagen Prospekt
Www Uni Muenster De Imperia Md Content Koviu Szenen Lu Bruecke K4 1ds Szene 06 Handzettel Pdf
Einachsiger Spannungszustand Lexikon Der Kunststoffprufung
Exzentrizitat Von Unterzugen D I E Statik Software
Zug Und Druckkraft Sensor Druckkraft Sensoren Ahlborn Mess Und Regelungstechnik Gmbh
Verformung Berechnen Aufgabe
Brucken Leifiphysik
Kraftmessgerate Wika
Zug Und Druckkraftsensoren Burster De
Kraftaufnehmer Und Kraftmessdosen Fur Druck Und Zug Krafte X Sensors Gmbh
Dakks Kalibrierzertifikat Fur Zug Druckkraft Din Iso 376 Vom Hersteller Pce Instruments
Balkenbrucken
Ein Robuster Sensor Um Zug Und Druckkraft Bis Zu 50 000 N Zu Messen Die Stabile
Aussermittiger Zug Druck Querschnittskern Einfluss Des Schubes
Wagezelle Zug Und Druckkraft Ap7005 S2tech Srl Zylindrisch Kompakt Stahl
Magai Bidirektionale Kraftmessung Der Zug Und Druckkraft Der Kraftmessdose Farbe Size 3t Amazon De Kuche Haushalt
Motorisierter Zug Druck Prufstand Pce Tf 3 Pce Tf 5 Pce Instruments
Stab Zug Druck Schule Ausbildung Und Studium Physik
Wandinger Userweb Mwn De Tm2 U1 1 Pdf
Wagezelle Zug Und Druckkraft Pt1 S2tech Srl Balkentyp Aluminium Wage
Beanspruchung Und Tragverhalten Mauerwerk Baukonstruktion Baunetz Wissen
Zug Und Druckkraftmesser Typ 127 Traction And Pressure
Mechanische Spannung Wikipedia
Kraftmessgerat Fur 100n Fur Zug Und Druckkraft Mecsense Messtechnik
Zug Druck Kraftaufnehmer 0 500 N Bis 0 10 Kn
Zug Und Druck In Staben Springerlink
Druckkrafte Und Zugkrafte Sowie Die Knickung Physik Referat Brucken
Wagezelle Zug Und Druckkraft U1a Hbm Test And Measurement Zylindrisch Kompakt Dehnungsmessstreifen
Wagezelle Zug Und Druckkraft U2b Hbm Test And Measurement Inline Edelstahl Prazision
Zug Und Druck In Staben Youtube
S Kraftsensoren Fur Kleine Und Grosse Krafte X Sensors Gmbh
Zug Und Druck In Staben Springerlink
Brucken Leifiphysik
Ladesensor Zug Und Druckkraft 1600 Interface Force Measurement Solutions Zur Kalibrierung Hochprazision Mit Uberlastschutz
Zug Und Druck In Staben Springerlink
Servo Zug Oder Druckkraft 4kg 12v 5a 50watt Elektromagnet Zugmagnet Motor Ebay
Mini Kraftsensor Fur Zug Und Druckkraft R04 Series
Www Stahl Prueftechnik Com Uploads Media Mp 100 15a Pdf
Brucken Leifiphysik
Einachsiger Spannungszustand Lexikon Der Kunststoffprufung
Kraftmessung Alluris
Motorisierte Materialprufmaschine Fur Zug Und Druckkraft
Datei Holzfasern Zug Und Druckbelastung Svg Wikipedia
Bowdenzug Fur Zug Und Druck Druck Zugkabel 300 Cm Amazon De Gewerbe Industrie Wissenschaft
Cremonaplan Wikipedia
Www Dlubal Com De Downloads Und Infos Dokumente Online Handbuecher Rfem 5 04
Hbt Isol Ch Wp Content Uploads 19 11 4000 Zde Ov De 03 18 Pdf
Brucken Leifiphysik
Statik Der Fachwerke 1 Tec Lehrerfreund
Wandinger Userweb Mwn De La Tmet V2 1 Pdf


