Wheatstonesche Bruckenschaltung Dms
Wheatstonesche Brückenschaltung Nullabgleichverfahren Viertelbrücke Verfahren zur A/D Umwandlung VE06 Temperaturmessung Arten der Temperaturmessung Thermoelemente Segerkegel Zeichne 4 DMS ein und Ordne zu jedem Zug oder Druckbelastung zu (Skizze geg) Temperaturmessung 18 An einem PT100 fallen bei einem Strom von 1mA 170 mV ab.
Wheatstonesche bruckenschaltung dms. Historische Rückschau Grundlagen der DMSTechnologie DMSInstallation Wheatstonesche Brückenschaltung Kompensations und Abgleichschaltung Kabel zwischen DMSBrückenschaltung und Messgerät Gerätetechnik Kalibrieren von Messeinrichtungen zum Messen mit DMS Ermittlung mechanischer Lastspannungen aus mit DMS gemessenen Dehnungen bei elastischer Beanspruchung. Sie wird auch Wheatstonesche Messbrücke genannt Die Anwendungen sind hauptsächlich in der Messtechnik und Regelungstechnik zu finden 11 Prinzip der WheatstoneBrücke bei Gleichspannung und Ohmschen Wider ständen Die Brückenschaltung nach Wheatstone ermöglicht die Bestimmung von Widerständen durch Vergleich mit bekannten. Anwendung der Wheatstone'schen Brückenschaltung Technische Information German Applying the Wheatstone Bridge Circuit Technical Information English Recommended for you Strain Measurement Glossary A useful guide of technical terms to help you understand the commonly used concepts related to the fundamentals of strain measurement.
Sensoren in Brückenschaltung setzen eine physikalische Größe, wie z B Dehnung, Temperatur oder Kraft, mit der Änderung des Widerstands in Zweigen einer Wheatstoneschen Messbrücke in Beziehung Die allgemeine Wheatstonesche Messbrücke (vgl. Anwendung der Wheatstone’sche Brückenschaltung mit DMS Webinar Anwendung der Wheatstone’schen Brückenschaltung mit Dehnungsmessstreifen Bei seinen Arbeiten mit elektrischen Widerständen erfand im Jahre 1843 der englische Physiker Sir Charles Wheatstone (1802 1875) eine nach ihm benannte Brückenschaltung, mit deren Hilfe die. DehnungsmessStreifen (DMS), miniatur InstrumentationsVerstärker, Messverstärker für DMSSensoren BA 501 oder BA 603 BA 700, Dm 19x12mm, 0,1 bis 10V, 350 Ohm, DMSKatalog, TDesign Software zum Selbstbau von DMSSensoren (SensorenBerechnung), DMSKlebstoffe, Abdeckmittel, Kabel, HalbleiterDMS, FreigitterDMS, DMSApplikationsschriften.
Die Wheatstonesche Messbrücke (kurz WheatstoneBrücke) ist eine Messeinrichtung zur Messung von elektrischen Widerständen ohmscher Art (Gleichstromwiderstand),;. Meist wird die Brückenschaltung mit Gleichspannung von 5V gespeist Üblich sind auch 2,5V Brückenspeisung oder 1,0V Brückenspeisung, wenn zB ein niederohmiger Dehnungsmessstreifen (DMS) mit 1 Ohm eingesetzt wird, oder wenn der DMS auf ein nichtleitendes Material geklebt wird, so dass eine starke Eigenerwärmung des Dehnungsmessstreifens. Die Wheatstonesche Brückenschaltung ist die bevorzugte Schaltung zur Messung von • Die Symmetrie der Brückenschaltung wird ausgenutzt, um die thermische Dehnung elektrisch Die zwei gleichsinnigen DMS (1,3) werden durch zwei quer angeordneten DMS (2,4) zur Vollbrücke ergänzt Diese Schaltung.
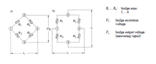
Widerstandsnetzwerks zu einer vollständigen HEATSTONEWschen Brückenschaltung erfolgt verstärkerseitig, also im nicht rotierenden Teil der Messkette Abbildung 3 WHEATSTONEsche Brückenschaltung mit DMSViertelbrücke 17_InstMit_Seitenpdf 105 IMW Institutsmitteilung Nr 42 (17) 10 Kommen wir zur Praxis. Die Wheatstonesche Messbrücke besteht aus zwei parallelen Spannungsteilern Wenn bekannt ist, wie viel Kraft auf ein Messsystem mit Brückenschaltung ausgeübt wird, können Sie die Richtigkeit Ihres Messergebnisses rechnerisch nachprüfen DMSWert—Ist die gemessene Dehnungsänderung in den Einheiten der Dehnung Dieser Wert ist in. 811 Die Brückenschaltung Eine Messbrücke besteht im einfachsten Fall aus einer Parallelschaltung zweier Spannungsteiler, die an einer Brückenspeisespannung U 0 betrieben werden Dieser Aufbau wird nach dem Physiker Sir Charles Wheatstone als Wheatstonesche Brücke bezeichnet U 0 R 1 R 2 R 3 R 4 AB A R M U D Abbildung 81 Brückenschaltung.
Stände A und B in eine DMSBrückenschaltung DMS DMS DMS DMS ε ε ε ε A B Abb2Beispiel temperaturbedingter Nullpunktdrift vor (A) und nach (B) Kompensationsmassnahmen A B40 30 10 0 10 30 40 50 Temperatur °C0,0,0150,010,005 0 0,005 U (mV/V) A Abb3 Einfügen abgleichbarer Widerstände in eine DMSBrückenschaltung (vgl. Wheatstone Brücke und DMS (Dehnungsmessstreifen) oder historischemessgerätede und historischemessgeraetede entstammen einer Privatinitiative des Autors, mit dem Ziel der Enzyklopädischen Sammlung und 16 Video Die Wheatstonesche Brückenschaltung kurz erklärt HB WheatstoneBrücke Translation into English Reverso Contex. Brückenschaltung einfach erklärt Bei Brückenschaltungen handelt es sich um eine bestimmte Verschaltung von elektronischen Bauelementen Am häufigsten wird dir die WheatstoneBrücke begegnen In diesem Artikel wird daher WheatstoneBrücke und Brückenschaltung synonym verwendet.
O Scribd é o maior site social de leitura e publicação do mundo. Brückenschaltung einfach erklärt Bei Brückenschaltungen handelt es sich um eine bestimmte Verschaltung von elektronischen Bauelementen Am häufigsten wird dir die WheatstoneBrücke begegnen In diesem Artikel wird daher WheatstoneBrücke und Brückenschaltung synonym verwendet. Widerstandsnetzwerks zu einer vollständigen HEATSTONEWschen Brückenschaltung erfolgt verstärkerseitig, also im nicht rotierenden Teil der Messkette Abbildung 3 WHEATSTONEsche Brückenschaltung mit DMSViertelbrücke 17_InstMit_Seitenpdf 105 IMW Institutsmitteilung Nr 42 (17) 10 Kommen wir zur Praxis.
Wheatstonesche Brückenschaltung (elektrischer YouTub Ich benötige die Formel zur Berechnung der Empfindlichkeit einer WheatstoneBrücke Ich will nicht, dass man mir die Formel einfach nur hinschreibt, sondern mehr einen kleinen Anstoß um selbst auf die Formel zu kommen Da von *Rob* am Mittwoch 6. Kraftmessdose mit Dehnmesstreifen (DMS) Das erreicht man durch die Wheatstonesche Brückenschaltung bei der vier Dehnmessstreifen so auf dem Federkörper der Kraftmessdose oder des Kraftaufnehmers angebracht werden, dass bei Krafteinwirkung zwei gestaucht und zwei gedehnt werden Ändert sich die Temperatur, ändert sich der Widerstand in. Anspruchde Messbrückenschaltung in mindestens Dreileiterschaltung, die aus mindestens einem Dehnungsmessstreifen (DMS) in Viertelbrückenschaltung (7) besteht, der über mindestens drei Anschlussleitungen (1, 1', 2, 2') mit einer Messverstärkerschaltung (9) und einer internen Halbbrücke (8) verbunden ist, wobei mindestens zwischen einer Speiseleitung (1', 2) und einer Fühlerleitung (1, 2.
Die Wheatstonesche Messbrücke besteht aus zwei parallelen Spannungsteilern Nominaler DMSWiderstand Die Installation von Dehnungsmessstreifen kann je nach Brückenschaltung zeit und ressourcenintensiv sein Die Anzahl der verbundenen Dehnungsmesser, die Anzahl der Verbindungen und der Ort, an dem der Dehnungsmesser angebracht ist. Um k kFaktor des DMS e Dehnung Wheatstonesche Brückenschaltung Da die am Dehnungsmeßstreifen durch die Längenänderung hervorgerufene Widerstandsänderung sehr klein ist, wird in der Regel eine Wheatstonesche Brückenschaltung zur Umwandlung der Widerstands in eine Spannungsänderung verwendet. The best safe to use design resources for everyone.
Aufnehmern mit relativ einfachen Mitteln möglich sind Das DMSPrinzip gehört dazu Vereinfacht ausgedrückt, ist es hinreichend, einen Federkörper zu entwerfen, diesen zu fertigen und die DMS zu installieren Nach deren Verdrahtung zur Brückenschaltung, dem Anschluss eines Messkabels und nachfolgender Kalibrierung ist der Aufnehmer einsatz. Diese DMS sind in einer Brückenschaltung (Wheatstonesche Messbrücke) verschaltet Das Signal aus der Messbrücke wird anhand eines µProzessors aufbereitet und an den Stator übergeben Der Rotor ist über zwei Kugellager mit dem Stator verbunden, die Signalübergabe erfolgt berührungslos. Wheatstonesche Messbrücke Um Verformung mit einem Dehnungsmessstreifen (DMS) mit verbundenem Widerstand zu messen, muss dieser an einen Stromkreis angeschlossen werden, der die winzigen Widerstandsänderungen messen kann, die der Verformung entsprechen Die WheatstoneBrückenschaltung ist zwar eine der beliebtesten Methoden zur Messung.
Um k kFaktor des DMS e Dehnung Wheatstonesche Brückenschaltung Da die am Dehnungsmeßstreifen durch die Längenänderung hervorgerufene Widerstandsänderung sehr klein ist, wird in der Regel eine Wheatstonesche Brückenschaltung zur Umwandlung der Widerstands in eine Spannungsänderung verwendet. Kleinen ohmschen Widerstandsänderungen Sie ist aufgebaut aus vier Widerständen, die zu einem geschlossenen Ring oder Quadrat zusammengeschaltet sind, mit einer Spannungsquelle in der einen Diagonalen und einem. Die Wheatstonesche Messbrücke (kurz WheatstoneBrücke) ist eine Messeinrichtung zur Messung von elektrischen Widerständen ohmscher Art (Gleichstromwiderstand),;.
Der Inhalt Historische Rückschau Grundlagen der DMSTechnologie DMSInstallation Wheatstonesche Brückenschaltung Kompensations und Abgleichschaltung Kabel zwischen DMS. In diesem Video erklären wir dir alles zum Thema Spannungsteiler und Brückenschaltung aus dem Bereich Elektrotechnik Für noch mehr Videos schau auf unsere W. Die Wheatstonesche Brückenschaltung ist die bevorzugte Schaltung zur Messung von • Die Symmetrie der Brückenschaltung wird ausgenutzt, um die thermische Dehnung elektrisch Die zwei gleichsinnigen DMS (1,3) werden durch zwei quer angeordneten DMS (2,4) zur Vollbrücke ergänzt Diese Schaltung.
Zum Messen solcher kleinen Widerstandsänderungen und Ausgleichen der Temperaturschwankungen sind Dehnungsmessstreifen oft in eine Wheatstonesche Brückenschaltung mit einer Speisespannungs und stromquelle eingeschaltet Brückenschaltungen können in verschiedenen Konfigurationen vorliegen. Endlich wieder http//solideSchule (Sapere aude!) Die Wheatstone(sche) (Mess)Brücke ist sehr temperaturstabil und liefert lineare Ergebnisse Warum und wie. Wheatstonesche Messbrücke Um Verformung mit einem Dehnungsmessstreifen (DMS) mit verbundenem Widerstand zu messen, muss dieser an einen Stromkreis angeschlossen werden, der die winzigen Widerstandsänderungen messen kann, die der Verformung entsprechen Die WheatstoneBrückenschaltung ist zwar eine der beliebtesten Methoden zur Messung.
(DMS) Inhalt 1 Ziel der Laborübung 2 Aufgaben zur Vorbereitung der Laborübung 3 Grundlagen 31 Dehnmessstreifen (DMS) 32 WheatstoneBrücke 4 Beschaltung der DMS 41 Brückenschaltung 42 Brückenabgleich 5 Aufbau des Messplatzes 6 Messablauf Stand Oktober 12. Historische Rückschau Grundlagen der DMSTechnologie DMSInstallation Wheatstonesche Brückenschaltung Kompensations und Abgleichschaltung Kabel zwischen DMSBrückenschaltung und Messgerät Gerätetechnik Kalibrieren von Messeinrichtungen zum Messen mit DMS Ermittlung mechanischer Lastspannungen aus mit DMS gemessenen Dehnungen bei elastischer Beanspruchung. IMDMS VerstärkerModul für Kraftsensoren mit DMSVollbrücken mit 5V bzw10V Brückenspeisung Das IMDMSModul enthält die komplette Verstärkerelektronik für einen Kraftsensor mit DMSBrückenschaltung Am Ausgang stehen wahlweise die wichtigsten genormten Analogsignale zur Verfügung Die gesamte Elektronik ist in.
Wheatstonesche Messbrücke mit DMS Präsentation der Videos beim Praktikum Biomechanik, Versuch Dehnungsmessstreifen (DMS) Hinweise Die DMS haben Nennwiderstände von 1 oder 350 Ohm Die Messbrücken werden bei der Viertel und Halbbrücke durch Konstantwiderstände zur Vollbrücke ergänzt Um den Effekt bei der Dehnung bzw. 5 V Versorgungsspannung für die Dehnungsmessstreifen (DMS) in Brückenschaltung oder Referenzeingang für die externe Versorgungsspannung der Messbrücke 24 V Trigger 5 Triggereingang 0V 6 Masse für Triggereingang U Eingang für Differenzspannung der Messbrücke UV8. Brückenschaltung einfach erklärt Bei Brückenschaltungen handelt es sich um eine bestimmte Verschaltung von elektronischen Bauelementen Am häufigsten wird dir die WheatstoneBrücke begegnen In diesem Artikel wird daher WheatstoneBrücke und Brückenschaltung synonym verwendet.
Die Wheatstonesche Messbrücke (kurz WheatstoneBrücke) ist eine Messeinrichtung zur Messung von elektrischen Widerständen ohmscher Art (Gleichstromwiderstand),;. Zusammenfassung Schon ca 100 Jahre vor der Erfindung des Dehnungsmessstreifens befassten sich die englischen Naturwissenschaftler HunterChristie und Wheatstone mit dem Messen der Widerstände metallischer Leitungsdrähte und erfanden dazu eine Brückenschaltung, mit deren Hilfe Widerstandsbestimmungen auch bei instabilen Spannungsquellen möglich wurden 242, 243. Wheatstonesche Messbrücke mit DMS Präsentation der Videos beim Praktikum Biomechanik, Versuch Dehnungsmessstreifen (DMS) Hinweise Die DMS haben Nennwiderstände von 1 oder 350 Ohm Die Messbrücken werden bei der Viertel und Halbbrücke durch Konstantwiderstände zur Vollbrücke ergänzt Um den Effekt bei der Dehnung bzw.
Abb 4 Wheatstonesche Messbrücke mit KonstantanWiderstandsdraht (gelb) (grün) ist der zu messende R Widerstand, R 3 der Vergleichswiderstand Es gibt eine Lage des Abgriffpunktes Q, bei dem zwischen P und Q keine Spannung herrscht und deshalb kein Strom fließt In diesem Fall sind die Spannungen über R 3 und R 1 sowie über und R R 2. O Scribd é o maior site social de leitura e publicação do mundo. Historische Rückschau Grundlagen der DMSTechnologie DMSInstallation Wheatstonesche Brückenschaltung Kompensations und Abgleichschaltung Kabel zwischen DMSBrückenschaltung und Messgerät Gerätetechnik Kalibrieren von Messeinrichtungen zum Messen mit DMS Ermittlung mechanischer Lastspannungen aus mit DMS gemessenen Dehnungen bei elastischer Beanspruchung.
Für die Signalgenerierung werden die DMS in eine Brückenschaltung gelegt 2251 Viertelbrücke Bild 264 zeigt eine Viertelbrücke mit dem DMS als R dR im oberen linken Zweig Bild 264 Die Brückenspannung berechnet sich als Differenz der beiden Spannungsteiler. Die Wheatstonesche Messbrücke (kurz WheatstoneBrücke) wird heute allenfalls noch für Präzisionsmessungen verwendet Durch die hohe Genauigkeit der Digitalmultimeter und die Verfügbarkeit von PräzisionsOperationsverstärkern können direkt anzeigende Messverfahren fast überall eingesetzt werden. Wheatstonesche Messbrücke Um Verformung mit einem Dehnungsmessstreifen (DMS) mit verbundenem Widerstand zu messen, muss dieser an einen Stromkreis angeschlossen werden, der die winzigen Widerstandsänderungen messen kann, die der Verformung entsprechen Die WheatstoneBrückenschaltung ist zwar eine der beliebtesten Methoden zur Messung.
Die Wheatstonesche Brückenschaltung ist die bevorzugte Schaltung zur Messung von Widerständen Sie kann eingesetzt werden zur absoluten Bestimmung eines Widerstandes oder zur Bestimmung einer relativen Widerstandsänderung Die Brückenschaltung mit nur einem aktiven DMS leistet keine Kompensation der temperaturbedingten Dehnung Daher. (DMS) Inhalt 1 Ziel der Laborübung 2 Aufgaben zur Vorbereitung der Laborübung 3 Grundlagen 31 Dehnmessstreifen (DMS) 32 WheatstoneBrücke 4 Beschaltung der DMS 41 Brückenschaltung 42 Brückenabgleich 5 Aufbau des Messplatzes 6 Messablauf Stand Oktober 12. Wheatstonesche Brückenschaltung (elektrischer YouTub Ich benötige die Formel zur Berechnung der Empfindlichkeit einer WheatstoneBrücke Ich will nicht, dass man mir die Formel einfach nur hinschreibt, sondern mehr einen kleinen Anstoß um selbst auf die Formel zu kommen Da von *Rob* am Mittwoch 6.
Cite this chapter as Vömel M, Zastrow D (1994) Wheatstonesche Brückenschaltung In Aufgabensammlung Elektrotechnik 1 Literatur für das Grundstudium. Meist wird die Brückenschaltung mit Gleichspannung von 5V gespeist Üblich sind auch 2,5V Brückenspeisung oder 1,0V Brückenspeisung, wenn zB ein niederohmiger Dehnungsmessstreifen (DMS) mit 1 Ohm eingesetzt wird, oder wenn der DMS auf ein nichtleitendes Material geklebt wird, so dass eine starke Eigenerwärmung des Dehnungsmessstreifens. Kleinen ohmschen Widerstandsänderungen Sie ist aufgebaut aus vier Widerständen, die zu einem geschlossenen Ring oder Quadrat zusammengeschaltet sind, mit einer Spannungsquelle in der einen Diagonalen und einem.
Die Wheatstonesche Brückenschaltung ist die bevorzugte Schaltung zur Messung von Widerständen Sie kann eingesetzt werden zur absoluten Bestimmung eines Widerstandes oder zur Bestimmung einer relativen Widerstandsänderung Die Brückenschaltung mit nur einem aktiven DMS leistet keine Kompensation der temperaturbedingten Dehnung Daher. Der Inhalt Historische Rückschau Grundlagen der DMSTechnologie DMSInstallation Wheatstonesche Brückenschaltung Kompensations und Abgleichschaltung Kabel zwischen DMSBrückenschaltung und Messgerät Gerätetechnik Kalibrieren von Messeinrichtungen zum Messen mit DMS Ermittlung mechanischer Lastspannungen aus mit DMS. Historische Rückschau Grundlagen der DMSTechnologie DMSInstallation Wheatstonesche Brückenschaltung Kompensations und Abgleichschaltung Kabel zwischen DMSBrückenschaltung und Messgerät Gerätetechnik Kalibrieren von Messeinrichtungen zum Messen mit DMS Ermittlung mechanischer Lastspannungen aus mit DMS gemessenen Dehnungen bei elastischer Beanspruchung.
Schaltplan Wheatstonesche Brückenschaltung (praktisch) Die durch Gustav Kirchhoff (1417) 1 eingeführte Variante benötigt nur einen Präzisionswiderstand und ein SchleifdrahtPotentiometer Der Widerstandsdraht ist auf ein Brett gespannt oder auf ein Rohr gewickelt. ©SpringerVerlag Berlin Heidelberg 1996, 05, 06, 07, 10, 12 9 Messung von elektrischen Impedanzen 91 Messung von ohmschen Widerständen. Kleinen ohmschen Widerstandsänderungen Sie ist aufgebaut aus vier Widerständen, die zu einem geschlossenen Ring oder Quadrat zusammengeschaltet sind, mit einer Spannungsquelle in der einen Diagonalen und einem.
Die Wheatstonesche Brückenschaltung kurz erklärt Erfahren Sie mehr über die Grundlagen und Funktionsweise Previous Next Die Wheatstonesche Brückenschaltung Viertelbrücke mit externem DummyDMS Zwei Viertelbrückenschaltungen Ein DMS misst aktiv die Dehnung, der andere ist an einer passiven Komponente aus demselben Material.
Dehnungsmessstreifen Wikipedia
Wheatstonesche Messbrucke Wikiwand
Der K Faktor Und Die Wheatstonesche Bruckenschaltung Hbm
Wheatstonesche Bruckenschaltung Dms のギャラリー
Www Me Systeme De Docs Grundlagen Kb Straingage Pdf
Anwendung Der Wheatstone Sche Bruckenschaltung Mit Dms Hbm
Grundlagen Zur Bruckenschaltung
Http Www Schruefer Messtechnik De Emt Uebungen Loesungen 3 4 Bruecke Dms 02b Pdf
Berechnung Wheatstone Messbrucke Mit Dms Learnchannel Tv Com
Wie Man Dehnung Und Druck Mit Dehnungsmessstreifen Misst
Bruckenschaltung Wikipedia
Anwendung Der Wheatstone Sche Bruckenschaltung Mit Dms Hbm
Www Me Systeme De Docs Grundlagen Kb Straingage Pdf
Wheatstonesche Messbrucke Wikipedia
Www Hs Koblenz De Fileadmin Media Fb Ingenieurwesen Mt Laboratorien Messtechnik Labor Versuch 4 Pdf
Grundlagen Zur Bruckenschaltung
Die Wheatstonesche Bruckenschaltung Kurz Erklart Hbm
Anwendung Und Einsatz Der Dms Messtechnik In Der Elektronikindustrie Pdf Free Download
Fehlerbetrachtung Zu Parallelen Dms Schaltungen Mit
Anwendung Der Wheatstoneschen Bruckenschaltung Pdf Free Download
Anwendung Der Wheatstoneschen Bruckenschaltung Pdf Free Download
Beckhoff Information System German
Anwendung Der Wheatstoneschen Bruckenschaltung
Wheatstonesche Messbrucke Wikipedia
Grundlagen Zur Bruckenschaltung
Telemetrie Messtechnik Schnorrenberg
Anwendung Der Wheatstoneschen Bruckenschaltung
Die Wheatstonesche Bruckenschaltung Kurz Erklart Hbm
Abgeglichene Bruckenschaltung Youtube
Anwendung Der Wheatstoneschen Bruckenschaltung Pdf Free Download
Wheatstonesche Bruckenschaltung Springerlink
Die Wheatstonesche Bruckenschaltung Kurz Erklart Hbm
Http Www Carl Engler Schule De Culm Culm Culm2 Th Messtechnik Sensoren Dehnungsmessstreifen Pdf
Dms Mit Opv Verstarken Mikrocontroller Net
Mb Master Htw Berlin De Files Stg Mb Versuchsanleitungen Messtechnik Dms Pdf
Dehnungsmessstreifen Dms Carl Engler
Www Me Systeme De Docs Grundlagen Kb Straingage Pdf
Anwendung Der Wheatstoneschen Bruckenschaltung Pdf Free Download
Eine Wheatstonesche Messbrucke ˈwiːtstən
Wheatstonesche Messbrucke Wikipedia
Dehnungsmessstreifen Dms Pdf Kostenfreier Download
Wheatston Sche Bruckenschaltung
Wie Man Dehnung Und Druck Mit Dehnungsmessstreifen Misst
Wheatstonesche Messbrucke Wikipedia
Widerstandsbrucke Wheatstone Messbrucke
Wheatstonesche Bruckenschaltung Springerlink
Die Wheatstonesche Bruckenschaltung Kurz Erklart Hbm
Http Files Hanser De Files Article Artk Zco 0002 Pdf
Wheatstonesche Messbrucke
Mb Master Htw Berlin De Files Stg Mb Versuchsanleitungen Messtechnik Dms Pdf
Disynet Sensor Kompendium
Wie Man Dehnung Und Druck Mit Dehnungsmessstreifen Misst
Disynet Sensor Kompendium
Wheatstonesche Bruckenschaltung Springerlink
Http Www Telemetrie World De Fachartikel 3 dms Brueckenarten Pdf
Anwendung Der Wheatstoneschen Bruckenschaltung Pdf Free Download
Dehnungsmessstreifen Dms Pdf Kostenfreier Download
2
Bruckenschaltung Wheatstone Brucke Und Spannungsteiler Berechnen Youtube
Grundlagen Zur Bruckenschaltung
Shuntkalibrierung
Dms Mit Wheatstone Brucke Offset Spannung Mikrocontroller Net
Lastzellen
Messen Mit Dehnmessstreifen Dms Pdf Kostenfreier Download
Dehnungsmessstreifen Springerprofessional De
Funktionsweise Von Kraftsensoren Baumer Schweiz
Bruckenschaltung Mit 3 Dms
Bruckenschaltung Vereinfacht Youtube
Die Wheatstonesche Bruckenschaltung Kurz Erklart Hbm
Entwicklung Und Zukunft Der Drehmomentmesstechnik
Die Wheatstonesche Bruckenschaltung Kurz Erklart Hbm
Dehnungsmessstreifen Dms Fur Die Feindehnungsmessung In Der Experimentellen Spannungsanalyse Pdf Free Download
Wheatstonesche Bruckenschaltung Springerlink
Mb Master Htw Berlin De Files Stg Mb Versuchsanleitungen Messtechnik Dms Pdf
Link Springer Com Content Pdf 10 1007 2f978 3 658 3 4 Pdf
Cluster Mechatronik Automation Diagnosekonzepte Fur Fehlersichere Automatische Montage Und Prufsysteme Amps Teil 2
Diplomarbeit Marc Richter Darmstadt 10 Juni 03 Konstruktion Einer Sensorintegrierten Werkzeugaufnahme Zur Messung Der Radialkraftkomponenten Auf Ppt Herunterladen
Bruckenschaltung Was Wie Warum Auch Die Wheatstone Brucke Und H Brucke Wird Erklart Youtube
Die Wheatstonesche Bruckenschaltung Kurz Erklart Hbm
Die Wheatstonesche Bruckenschaltung Kurz Erklart Hbm
Wheatstonesche Brucke Dms Home Hs Karlsruhe De
Wheatstone Brucke
Www Me Systeme De Docs Grundlagen Kb Straingage Pdf
Anwendung Der Wheatstoneschen Bruckenschaltung Pdf Free Download
Wheatstonesche Messbrucke Wikipedia
Messung Von Kraften Chemgapedia
Funktionsweise Von Kraftsensoren Baumer Schweiz
Wheatstonesche Bruckenschaltung Springerlink
Die 3 Leiterschaltung Fur Dms
Wheatstonesche Messbrucke
Dehnungsmessstreifen Dms Prinzip Widerstand Mit Geometrischen Grossen Verandern Youtube
Messen Mit Dehnmessstreifen Dms Pdf Kostenfreier Download
Bruckenschaltung Mit Dms
Die Wheatstonesche Bruckenschaltung Kurz Erklart Hbm
Messtechnik Tutorial 04 Elektronisches Messen Nichtelektrischer Grossen Youtube
Die Wheatstonesche Bruckenschaltung Kurz Erklart Hbm
Http Files Hanser De Files Article Artk Zco 0002 Pdf
Bruckenschaltung Wheatstone Bridge Dms Sensor Strom Opor Png Herunterladen 1600 1066 Kostenlos Transparent Text Png Herunterladen
Www Me Systeme De Docs Grundlagen Kb Straingage Pdf
Wheatstone Brucke Und Dms Dehnungsmessstreifen Oder Thermistor Messmethoden Youtube
Anwendung Der Wheatstoneschen Bruckenschaltung Pdf Free Download


